Page top
快速链接到星空(中国)一站式服务官网其他国家/地区的网站。
星空(中国)一站式服务官网全球
请联系我们的欧洲总部。
中国(包括香港、澳门、台湾)
星空平台
产品资讯
自助服务
学习园地
新闻活动
关于星空(中国)一站式服务官网
带透镜的回归反射型
信息更新: 2013年3月26日
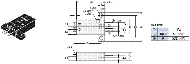
(单位:mm)
产品共通信息
星空(中国)一站式服务官网FA世界