Page top

E2C / E2C-H

放大器分离接近传感器(旋钮型)

E2C / E2C-H

可调整检测灵敏度的放大器分离型

(单位:mm)

本体

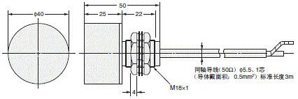
传感器部分

E2C-CR8A/-CR8B

E2C / E2C-H 外形尺寸 3

E2C-X1A

E2C / E2C-H 外形尺寸 4

E2C-C1A

E2C / E2C-H 外形尺寸 5

E2C-X1R5A
E2C-X1R5AH *

E2C / E2C-H 外形尺寸 6

E2C-X2A
E2C-X2AH *

E2C / E2C-H 外形尺寸 7

E2C-X5A
E2C-X5AH *

E2C / E2C-H 外形尺寸 8

E2C-X10A

E2C / E2C-H 外形尺寸 9

E2C-C20MA

E2C / E2C-H 外形尺寸 10

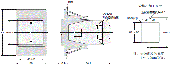
安装孔加工尺寸

E2C / E2C-H 外形尺寸 11

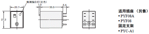
放大器单元部分

E2C-GE4A
E2C-GF4A

E2C / E2C-H 外形尺寸 13

E2C-AK4A (11P)
E2C-AM4A (8P)

E2C / E2C-H 外形尺寸 14

E2C-JC4A

E2C / E2C-H 外形尺寸 15

E2C-JC4AP

E2C / E2C-H 外形尺寸 16

E2C-JC4□H

E2C / E2C-H 外形尺寸 17

附件(另售)

安装支架

安装支架(无圆柱螺钉型安装用)
Y92E-F3R5 (φ3.5用)
Y92E-F5R4 (φ5.4用)

E2C / E2C-H 外形尺寸 20

表面连接插座

PYFZ-08

E2C / E2C-H 外形尺寸 22

P2CF-08

E2C / E2C-H 外形尺寸 23

P2CF-11

E2C / E2C-H 外形尺寸 24

背面连接插座

P3G-08

E2C / E2C-H 外形尺寸 26

P3GA-11

E2C / E2C-H 外形尺寸 27

PY08

E2C / E2C-H 外形尺寸 28

嵌入式安装用适配器(放大器单元E2C-AK4A/E2C-AM4A用)

Y92F-30

E2C / E2C-H 外形尺寸 30

Y92F-70

E2C / E2C-H 外形尺寸 31

Y92F-71

E2C / E2C-H 外形尺寸 32
APP下载

星空(中国)一站式服务官网FA世界