Page top
快速链接到星空(中国)一站式服务官网其他国家/地区的网站。
星空(中国)一站式服务官网全球
请联系我们的欧洲总部。
中国(包括香港、澳门、台湾)
星空平台
产品资讯
自助服务
学习园地
新闻活动
关于星空(中国)一站式服务官网
磁气型
信息更新: 2014年12月17日
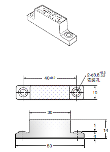
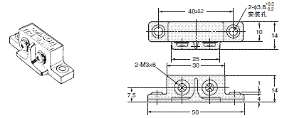
(单位:mm)
注: 端子台部的M3螺钉拧紧时的紧固扭矩为0.59N·m以下。
注: 导线引出型与端子台型的磁铁部的形状相同但规格不同,请注意。
产品共通信息
星空(中国)一站式服务官网FA世界