Page top

XS3

圆型防水接插件 (M8/S8)

XS3

小型圆型防水接插件

XS3F部分产品预定于2023年3月底订货截止。

(单位:mm)

XS3W 带电缆接插件 插座/插头两侧接插件

螺钉接线型(M8)机器人(耐振动)电缆

直线型(插座) /直线型(插头)
XS3W-M321-3□□-R (3芯)
XS3W-M421-4□□-R (4芯)

XS3 外形尺寸 3

L型(插座) /L型(插头)
XS3W-M422-4□□-R (4芯)

XS3 外形尺寸 4

直线型(插座) /L型(插头)
XS3W-M423-4□□-R (4芯)

XS3 外形尺寸 5

直线型(插座) /L型(插头)
XS3W-M423-4□□-R (4芯)

XS3 外形尺寸 6

螺钉安装型(M8)耐油增强(聚氨酯)机器人电缆

直线型(插座) /直线型(插头)
XS3W-M421-4□□-PR (4芯)

XS3 外形尺寸 8

L型(插座) /L型(插头)
XS3W-M422-4□□-PR (4芯)

XS3 外形尺寸 9

直线型(插座) /L型(插头)
XS3W-M423-4□□-PR (4芯)

XS3 外形尺寸 10

L型(插座) /直线型(插头)
XS3W-M424-4□□-PR (4芯)

XS3 外形尺寸 11

卡入型(S8)机器人电缆(耐振动)电缆 4芯

直线型(插座) /直线型(插头)
XS3W-S421-4□□-R

XS3 外形尺寸 13

L型(插座) /L型(插头)
XS3W-S422-4□□-R

XS3 外形尺寸 14

直线型(插座) /L型(插头)
XS3W-S423-4□□-R

XS3 外形尺寸 15

L型(插座) /直线型(插头)
XS3W-S424-4□□-R

XS3 外形尺寸 16

XS3W 带电缆接插件 M8插座/M12插头、M8插头/M12插座两侧接插件

M8 螺钉接线型 直线型(插座) /M12 Smart Click型 直线型(插头)

XS3W-M32C-3C2-A(3芯)
XS3W-M42C-4C2-A(4芯)

XS3 外形尺寸 19

M12 Smart Click型 直线型(插座) /M8 螺钉接线型 直线型(插头)

XS3W-M32D-3C2-A(3芯)
XS3W-M42D-4C2-A(4芯)

XS3 外形尺寸 21

注: M12接插件3芯的时候, 2号针脚不导通。

XS3F 带电缆接插件 插座 单侧接插件

螺钉接线型(M8) 3芯

直线型
XS3F-M321-3□□-A 机器人(耐振动)电缆
XS3F-M321-3□□-R 标准电缆

XS3 外形尺寸 24

L型
XS3F-M322-3□□-A 机器人(耐振动)电缆
XS3F-M322-3□□-R 标准电缆

XS3 外形尺寸 25

螺钉接线型(M8) 4芯

直线型
XS3F-M421-4□□-A 机器人(耐振动)电缆
XS3F-M421-4□□-R 标准电缆

XS3 外形尺寸 27

L型
XS3F-M422-4□□-A 机器人(耐振动)电缆
XS3F-M422-4□□-R 标准电缆

XS3 外形尺寸 28

固定支架SUS316L规格(M8) 4芯

直线型
XS3F-E421-402-A
XS3F-E421-405-A

XS3 外形尺寸 30

L型
XS3F-E422-402-A
XS3F-E422-405-A

XS3 外形尺寸 31

螺钉接线型(M8) 4芯

直线型
耐油增强(聚氨酯)机器人电缆
XS3F-M421-4□□-PR
PUR电缆
XS3F-M421-4□□-L

XS3 外形尺寸 33

L型
耐油增强(聚氨酯)机器人电缆
XS3F-M422-4□□-PR
PUR电缆
XS3F-M422-4□□-L

XS3 外形尺寸 34

螺钉接线型(M8) 5芯 标准电缆

直线型
XS3F-M521-5□□-A

XS3 外形尺寸 36

L型
XS3F-M522-5□□-A

XS3 外形尺寸 37

卡入型(S8) 4芯 机器人(耐振动)电缆

直线型
XS3F-S421-4□□-R

XS3 外形尺寸 39

L型
XS3F-S422-4□□-R

XS3 外形尺寸 40

XS3H 带接插件电缆 插头 单侧接插件

螺钉接线型(M8) 3芯 机器人(耐振动)电缆

直线型
XS3H-M321-3□□-R

XS3 外形尺寸 43

螺钉接线型(M8) 4芯 机器人(耐振动)电缆

直线型
XS3H-M421-4□□-R

XS3 外形尺寸 45

L型
XS3H-M422-4□□-R

XS3 外形尺寸 46

螺钉接线型(M8) 4芯 耐油增强(聚氨酯)机器人电缆

直线型
XS3H-M421-4□□-PR

XS3 外形尺寸 48

L型
XS3H-M422-4□□-PR

XS3 外形尺寸 49

卡入型(S8) 4芯 机器人(耐振动)电缆

直线型
XS3H-S421-4□□-R

XS3 外形尺寸 51

L型
XS3H-S422-4□□-R

XS3 外形尺寸 52

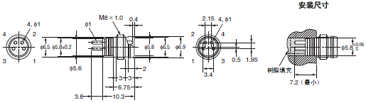
XS3P 接线盒用接插件 插座(面板安装型)

螺钉接线型(M8)

XS3P-M421-1 (DIP端子)
前锁或后锁

XS3 外形尺寸 55

XS3P-M421-2 (焊帽端子)
前锁或后锁

XS3 外形尺寸 56

XS3P-M422-2 (焊帽端子)
后锁

XS3 外形尺寸 57

卡入型(S8)

XS3P-S421-1 (DIP端子)
前锁或后锁

XS3 外形尺寸 59

XS3P-S421-2 (焊帽端子)
前锁或后锁

XS3 外形尺寸 60

XS3P螺钉接线型和卡入型安装尺寸

面板切割

XS3 外形尺寸 62

PCB安装尺寸

XS3 外形尺寸 63

面板安装尺寸

XS3 外形尺寸 64

XS3M 传感器嵌入型用接插件 插头

带螺钉嵌入型

带有DIP端子的嵌入型
XS3M-K421-1

XS3 外形尺寸 67

带有焊帽端子的嵌入型
XS3M-K421-2

XS3 外形尺寸 68

XS3M 面板安装用接插件 插头

前锁型 5芯

DIP端子4.5mm (也用作圆孔焊杯)无屏蔽端子
XS3M-M524-10

XS3 外形尺寸 71

DIP端子4.5mm (也用作圆孔焊杯)有屏蔽端子
XS3M-M524-11

XS3 外形尺寸 72

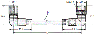
XS3R Y型连接插头/插座接插件

M8螺钉接线型

Y型连接插头/插座两侧接插件
XS3R-M426-1□□1-A

XS3 外形尺寸 75

Y型连接插头/插座单侧接插件
XS3R-M426-1□□0-A

XS3 外形尺寸 76

不带Y型连接插头/插座电缆
XS3R-M426-□

XS3 外形尺寸 77
APP下载

星空(中国)一站式服务官网FA世界