Page top

P2RFZ / P2RF, P2R, P7TF, PYFZ / PYF, PTFZ / PTF, PYD, PT, P7LF, PF, P2CF, PFA, P3G / P3GA, PL

共用插座

P2RFZ / P2RF, P2R, P7TF, PYFZ / PYF, PTFZ / PTF, PYD, PT, P7LF, PF, P2CF, PFA, P3G / P3GA, PL

备有多种表面连接型和背面连接型的方形插座和圆形插座

PYF08A,PYF14A系列部分产品预定于2021年3月底订货截止。PYF08A,PYF14A系列零件预定于2020年9月底订货截止。P2RF-E系列部分产品预定于2021年3月底订货截止。PYC系列部分产品预定于2023年3月底订货截止。PY(F)系列部分产品、PT(F)系列部分产品、PF系列部分产品、PL15Q、P7TF-05-TU预定于2023年3月底订货截止。

(单位:mm)

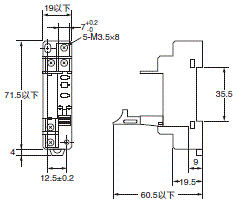
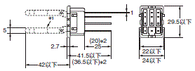
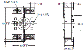
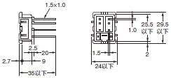
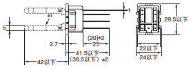
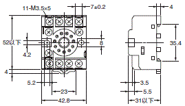
P2RF

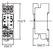
P2RFZ-05(1极)

P2RFZ / P2RF, P2R, P7TF, PYFZ / PYF, PTFZ / PTF, PYD, PT, P7LF, PF, P2CF, PFA, P3G / P3GA, PL 外形尺寸 2

P2RFZ-05-E(1极)(指触保护结构)

P2RFZ / P2RF, P2R, P7TF, PYFZ / PYF, PTFZ / PTF, PYD, PT, P7LF, PF, P2CF, PFA, P3G / P3GA, PL 外形尺寸 3

P2RFZ-08(2极)

P2RFZ / P2RF, P2R, P7TF, PYFZ / PYF, PTFZ / PTF, PYD, PT, P7LF, PF, P2CF, PFA, P3G / P3GA, PL 外形尺寸 4

P2RFZ-08-E(2极)(指触保护结构)

P2RFZ / P2RF, P2R, P7TF, PYFZ / PYF, PTFZ / PTF, PYD, PT, P7LF, PF, P2CF, PFA, P3G / P3GA, PL 外形尺寸 5

注. 使用I/O SSR、指示灯模块时,端子①为负极(—)。

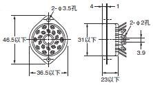
P2R

P2R-05P(1极)

P2RFZ / P2RF, P2R, P7TF, PYFZ / PYF, PTFZ / PTF, PYD, PT, P7LF, PF, P2CF, PFA, P3G / P3GA, PL 外形尺寸 8

P2R-08P(2极)

P2RFZ / P2RF, P2R, P7TF, PYFZ / PYF, PTFZ / PTF, PYD, PT, P7LF, PF, P2CF, PFA, P3G / P3GA, PL 外形尺寸 9

P2R-057P(1极)

P2RFZ / P2RF, P2R, P7TF, PYFZ / PYF, PTFZ / PTF, PYD, PT, P7LF, PF, P2CF, PFA, P3G / P3GA, PL 外形尺寸 10

P2R-087P(2极)

P2RFZ / P2RF, P2R, P7TF, PYFZ / PYF, PTFZ / PTF, PYD, PT, P7LF, PF, P2CF, PFA, P3G / P3GA, PL 外形尺寸 11

P2R-05A(1极)

P2RFZ / P2RF, P2R, P7TF, PYFZ / PYF, PTFZ / PTF, PYD, PT, P7LF, PF, P2CF, PFA, P3G / P3GA, PL 外形尺寸 12

P2R-08A(2极)

P2RFZ / P2RF, P2R, P7TF, PYFZ / PYF, PTFZ / PTF, PYD, PT, P7LF, PF, P2CF, PFA, P3G / P3GA, PL 外形尺寸 13

注. 使用I/O SSR、指示灯模块时,端子①为负极(—)。

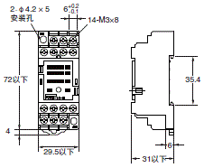
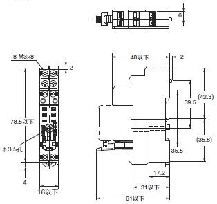
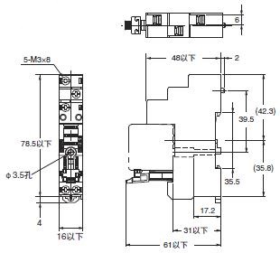
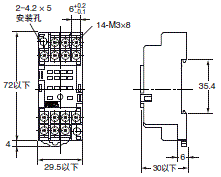
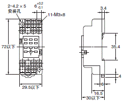
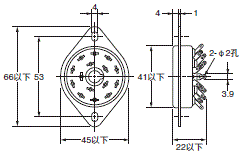
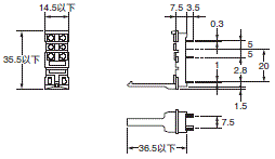
P7TF

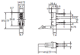
P7TF-05

P2RFZ / P2RF, P2R, P7TF, PYFZ / PYF, PTFZ / PTF, PYD, PT, P7LF, PF, P2CF, PFA, P3G / P3GA, PL 外形尺寸 16

注. 使用I/O SSR、指示灯模块时,端子①为正极(+)。

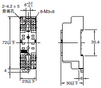
PYFZ/PYF

PYFZ-08

P2RFZ / P2RF, P2R, P7TF, PYFZ / PYF, PTFZ / PTF, PYD, PT, P7LF, PF, P2CF, PFA, P3G / P3GA, PL 外形尺寸 19

PYFZ-08-E(指触保护结构)

P2RFZ / P2RF, P2R, P7TF, PYFZ / PYF, PTFZ / PTF, PYD, PT, P7LF, PF, P2CF, PFA, P3G / P3GA, PL 外形尺寸 20

PYF08M

P2RFZ / P2RF, P2R, P7TF, PYFZ / PYF, PTFZ / PTF, PYD, PT, P7LF, PF, P2CF, PFA, P3G / P3GA, PL 外形尺寸 21

PYF11A

P2RFZ / P2RF, P2R, P7TF, PYFZ / PYF, PTFZ / PTF, PYD, PT, P7LF, PF, P2CF, PFA, P3G / P3GA, PL 外形尺寸 22

PYFZ-14

P2RFZ / P2RF, P2R, P7TF, PYFZ / PYF, PTFZ / PTF, PYD, PT, P7LF, PF, P2CF, PFA, P3G / P3GA, PL 外形尺寸 23

PYFZ-14-E(指触保护结构)

P2RFZ / P2RF, P2R, P7TF, PYFZ / PYF, PTFZ / PTF, PYD, PT, P7LF, PF, P2CF, PFA, P3G / P3GA, PL 外形尺寸 24

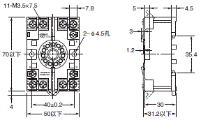
PYFZ用短接棒

同一插座内的跨接

PYD-020B□(2P)

P2RFZ / P2RF, P2R, P7TF, PYFZ / PYF, PTFZ / PTF, PYD, PT, P7LF, PF, P2CF, PFA, P3G / P3GA, PL 外形尺寸 27

PYD-030B□(3P)

P2RFZ / P2RF, P2R, P7TF, PYFZ / PYF, PTFZ / PTF, PYD, PT, P7LF, PF, P2CF, PFA, P3G / P3GA, PL 外形尺寸 28

相邻插座间的跨接

PYD-025B□(2P)

P2RFZ / P2RF, P2R, P7TF, PYFZ / PYF, PTFZ / PTF, PYD, PT, P7LF, PF, P2CF, PFA, P3G / P3GA, PL 外形尺寸 30

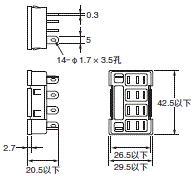
PYD-085B□(8P)

P2RFZ / P2RF, P2R, P7TF, PYFZ / PYF, PTFZ / PTF, PYD, PT, P7LF, PF, P2CF, PFA, P3G / P3GA, PL 外形尺寸 31

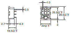
PYD-026B□(2P)

P2RFZ / P2RF, P2R, P7TF, PYFZ / PYF, PTFZ / PTF, PYD, PT, P7LF, PF, P2CF, PFA, P3G / P3GA, PL 外形尺寸 32

PYD-086B□(8P)

P2RFZ / P2RF, P2R, P7TF, PYFZ / PYF, PTFZ / PTF, PYD, PT, P7LF, PF, P2CF, PFA, P3G / P3GA, PL 外形尺寸 33

PYFZ-□用端子盖

端子盖安装时的外形尺寸

PYCZ-C08

P2RFZ / P2RF, P2R, P7TF, PYFZ / PYF, PTFZ / PTF, PYD, PT, P7LF, PF, P2CF, PFA, P3G / P3GA, PL 外形尺寸 35

PYCZ-C14

P2RFZ / P2RF, P2R, P7TF, PYFZ / PYF, PTFZ / PTF, PYD, PT, P7LF, PF, P2CF, PFA, P3G / P3GA, PL 外形尺寸 36

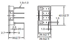
PY

PY08
PY08-Y1(L=42以下)
PY08-Y3(L=60以下)

P2RFZ / P2RF, P2R, P7TF, PYFZ / PYF, PTFZ / PTF, PYD, PT, P7LF, PF, P2CF, PFA, P3G / P3GA, PL 外形尺寸 39

*PY08-Y□包含虚线所示的部分。

PY08QN
PY08QN2
PY08QN-Y1
PY08QN2-Y1

P2RFZ / P2RF, P2R, P7TF, PYFZ / PYF, PTFZ / PTF, PYD, PT, P7LF, PF, P2CF, PFA, P3G / P3GA, PL 外形尺寸 41

*1. PY08QN(2)-Y1包含虚线所示的部分。
*2. ( )内数字表示PY08QN2(-Y1)的尺寸。

PY08-02

P2RFZ / P2RF, P2R, P7TF, PYFZ / PYF, PTFZ / PTF, PYD, PT, P7LF, PF, P2CF, PFA, P3G / P3GA, PL 外形尺寸 43

• 非耐助焊剂结构。
建议采用手工焊接。

PY11
PY11-Y1

P2RFZ / P2RF, P2R, P7TF, PYFZ / PYF, PTFZ / PTF, PYD, PT, P7LF, PF, P2CF, PFA, P3G / P3GA, PL 外形尺寸 45

*PY11-Y1包含虚线所示的部分。

PY11QN
PY11QN2
PY11QN-Y1
PY11QN2-Y1

P2RFZ / P2RF, P2R, P7TF, PYFZ / PYF, PTFZ / PTF, PYD, PT, P7LF, PF, P2CF, PFA, P3G / P3GA, PL 外形尺寸 47

*1. PY11QN(2)-Y1包含虚线所示的部分。
*2. ( )内数字表示PY11QN2(-Y1)的尺寸。

PY11-02

P2RFZ / P2RF, P2R, P7TF, PYFZ / PYF, PTFZ / PTF, PYD, PT, P7LF, PF, P2CF, PFA, P3G / P3GA, PL 外形尺寸 49

• 非耐助焊剂结构。
建议采用手工焊接。

PY14
PY14-Y1(L=42以下)
PY14-Y3(L=60以下)

P2RFZ / P2RF, P2R, P7TF, PYFZ / PYF, PTFZ / PTF, PYD, PT, P7LF, PF, P2CF, PFA, P3G / P3GA, PL 外形尺寸 51

*PY14-Y□包含虚线所示的部分。

PY14QN
PY14QN2
PY14QN-Y1(L=42以下)
PY14QN2-Y1(L=42以下)
PY14QN-Y3(L=60以下)
PY14QN2-Y3(L=60以下)

P2RFZ / P2RF, P2R, P7TF, PYFZ / PYF, PTFZ / PTF, PYD, PT, P7LF, PF, P2CF, PFA, P3G / P3GA, PL 外形尺寸 53

*1. PY14QN-Y□、PY14QN2-Y□包含虚线所示的部分。
*2. ( )内数字表示PY14QN2(-Y□)的尺寸。

PY14-02

P2RFZ / P2RF, P2R, P7TF, PYFZ / PYF, PTFZ / PTF, PYD, PT, P7LF, PF, P2CF, PFA, P3G / P3GA, PL 外形尺寸 55

• 非耐助焊剂结构。
建议采用手工焊接。

注:1.插座的安装面板请使用板厚1~2mm。
  2.PY14-Y1及PY14QN-Y1可适用于MY4系列、MY4H、MYQ4(Z)、MY2K。
  3.PY14-Y3及PY14QN-Y3可适用于H3Y(定时器)。

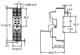
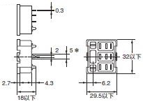
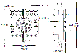
PTF

PTF08A

P2RFZ / P2RF, P2R, P7TF, PYFZ / PYF, PTFZ / PTF, PYD, PT, P7LF, PF, P2CF, PFA, P3G / P3GA, PL 外形尺寸 59

PTFZ-08-E(指触保护结构)

P2RFZ / P2RF, P2R, P7TF, PYFZ / PYF, PTFZ / PTF, PYD, PT, P7LF, PF, P2CF, PFA, P3G / P3GA, PL 外形尺寸 60

PTF11A

P2RFZ / P2RF, P2R, P7TF, PYFZ / PYF, PTFZ / PTF, PYD, PT, P7LF, PF, P2CF, PFA, P3G / P3GA, PL 外形尺寸 61

PTF14A

P2RFZ / P2RF, P2R, P7TF, PYFZ / PYF, PTFZ / PTF, PYD, PT, P7LF, PF, P2CF, PFA, P3G / P3GA, PL 外形尺寸 62

PTFZ-14-E(指触保护结构)

P2RFZ / P2RF, P2R, P7TF, PYFZ / PYF, PTFZ / PTF, PYD, PT, P7LF, PF, P2CF, PFA, P3G / P3GA, PL 外形尺寸 63

注. PTF08A、PT08和LY1的继电器组合使用时,请分别使端子①-②间、端子③-④间、端子⑤-⑥间短路。(使用电流为10A以上时)

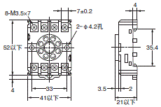
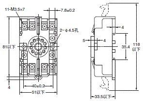
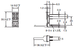
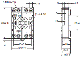
PT

PT08

P2RFZ / P2RF, P2R, P7TF, PYFZ / PYF, PTFZ / PTF, PYD, PT, P7LF, PF, P2CF, PFA, P3G / P3GA, PL 外形尺寸 66

PT08QN

P2RFZ / P2RF, P2R, P7TF, PYFZ / PYF, PTFZ / PTF, PYD, PT, P7LF, PF, P2CF, PFA, P3G / P3GA, PL 外形尺寸 67

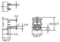
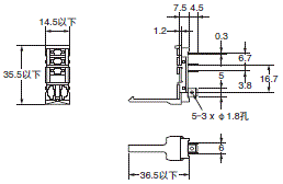
PT08-0

P2RFZ / P2RF, P2R, P7TF, PYFZ / PYF, PTFZ / PTF, PYD, PT, P7LF, PF, P2CF, PFA, P3G / P3GA, PL 外形尺寸 68

* 使用双面电路板时,请与图案保持足够的距离。
• 非耐助焊剂结构。
建议采用手工焊接。

PT11

P2RFZ / P2RF, P2R, P7TF, PYFZ / PYF, PTFZ / PTF, PYD, PT, P7LF, PF, P2CF, PFA, P3G / P3GA, PL 外形尺寸 70

PT11QN

P2RFZ / P2RF, P2R, P7TF, PYFZ / PYF, PTFZ / PTF, PYD, PT, P7LF, PF, P2CF, PFA, P3G / P3GA, PL 外形尺寸 71

PT11-0

P2RFZ / P2RF, P2R, P7TF, PYFZ / PYF, PTFZ / PTF, PYD, PT, P7LF, PF, P2CF, PFA, P3G / P3GA, PL 外形尺寸 72

* 使用双面电路板时,请与图案保持足够的距离。
• 非耐助焊剂结构。
建议采用手工焊接。

PT14

P2RFZ / P2RF, P2R, P7TF, PYFZ / PYF, PTFZ / PTF, PYD, PT, P7LF, PF, P2CF, PFA, P3G / P3GA, PL 外形尺寸 74

PT14QN

P2RFZ / P2RF, P2R, P7TF, PYFZ / PYF, PTFZ / PTF, PYD, PT, P7LF, PF, P2CF, PFA, P3G / P3GA, PL 外形尺寸 75

PT14-0

P2RFZ / P2RF, P2R, P7TF, PYFZ / PYF, PTFZ / PTF, PYD, PT, P7LF, PF, P2CF, PFA, P3G / P3GA, PL 外形尺寸 76

* 使用双面电路板时,请与图案保持足够的距离。
• 非耐助焊剂结构。
建议采用手工焊接。

注. 插座的安装面板请使用板厚1~2mm。

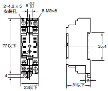
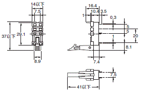
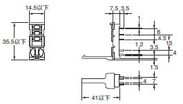
P7LF

P7LF-06

P2RFZ / P2RF, P2R, P7TF, PYFZ / PYF, PTFZ / PTF, PYD, PT, P7LF, PF, P2CF, PFA, P3G / P3GA, PL 外形尺寸 80

PF

PF083A

P2RFZ / P2RF, P2R, P7TF, PYFZ / PYF, PTFZ / PTF, PYD, PT, P7LF, PF, P2CF, PFA, P3G / P3GA, PL 外形尺寸 82

PF083A-E

P2RFZ / P2RF, P2R, P7TF, PYFZ / PYF, PTFZ / PTF, PYD, PT, P7LF, PF, P2CF, PFA, P3G / P3GA, PL 外形尺寸 83

PF085A

P2RFZ / P2RF, P2R, P7TF, PYFZ / PYF, PTFZ / PTF, PYD, PT, P7LF, PF, P2CF, PFA, P3G / P3GA, PL 外形尺寸 84

PF113A

P2RFZ / P2RF, P2R, P7TF, PYFZ / PYF, PTFZ / PTF, PYD, PT, P7LF, PF, P2CF, PFA, P3G / P3GA, PL 外形尺寸 85

PF113A-E

P2RFZ / P2RF, P2R, P7TF, PYFZ / PYF, PTFZ / PTF, PYD, PT, P7LF, PF, P2CF, PFA, P3G / P3GA, PL 外形尺寸 86

注:1.PF083A、PF113A插座的键槽位于上侧。(适用机型  MK)
  2.-E型为指触保护结构。不能使用圆形端子。请使用Y形端子等。

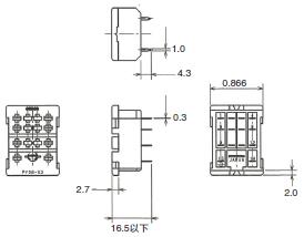
P2CF

P2CF-08

P2RFZ / P2RF, P2R, P7TF, PYFZ / PYF, PTFZ / PTF, PYD, PT, P7LF, PF, P2CF, PFA, P3G / P3GA, PL 外形尺寸 89

P2CF-08-E

P2RFZ / P2RF, P2R, P7TF, PYFZ / PYF, PTFZ / PTF, PYD, PT, P7LF, PF, P2CF, PFA, P3G / P3GA, PL 外形尺寸 90

P2CF-11

P2RFZ / P2RF, P2R, P7TF, PYFZ / PYF, PTFZ / PTF, PYD, PT, P7LF, PF, P2CF, PFA, P3G / P3GA, PL 外形尺寸 91

P2CF-11-E

P2RFZ / P2RF, P2R, P7TF, PYFZ / PYF, PTFZ / PTF, PYD, PT, P7LF, PF, P2CF, PFA, P3G / P3GA, PL 外形尺寸 92

PFA

8PFA

P2RFZ / P2RF, P2R, P7TF, PYFZ / PYF, PTFZ / PTF, PYD, PT, P7LF, PF, P2CF, PFA, P3G / P3GA, PL 外形尺寸 94

8PFA1

P2RFZ / P2RF, P2R, P7TF, PYFZ / PYF, PTFZ / PTF, PYD, PT, P7LF, PF, P2CF, PFA, P3G / P3GA, PL 外形尺寸 95

11PFA

P2RFZ / P2RF, P2R, P7TF, PYFZ / PYF, PTFZ / PTF, PYD, PT, P7LF, PF, P2CF, PFA, P3G / P3GA, PL 外形尺寸 96

14PFA

P2RFZ / P2RF, P2R, P7TF, PYFZ / PYF, PTFZ / PTF, PYD, PT, P7LF, PF, P2CF, PFA, P3G / P3GA, PL 外形尺寸 97

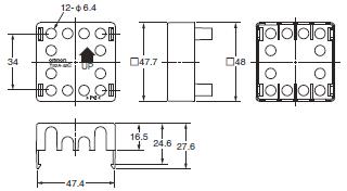
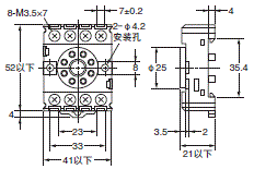
P3G/P3GA

P3G-08

P2RFZ / P2RF, P2R, P7TF, PYFZ / PYF, PTFZ / PTF, PYD, PT, P7LF, PF, P2CF, PFA, P3G / P3GA, PL 外形尺寸 99

注. 与端子盖(Y92A-48G)组合使用,可实现指触保护。

P3GA-11

P2RFZ / P2RF, P2R, P7TF, PYFZ / PYF, PTFZ / PTF, PYD, PT, P7LF, PF, P2CF, PFA, P3G / P3GA, PL 外形尺寸 101

注. 与端子盖(Y92A-48G)组合使用,可实现指触保护。

端子盖

Y92A-48G

P2RFZ / P2RF, P2R, P7TF, PYFZ / PYF, PTFZ / PTF, PYD, PT, P7LF, PF, P2CF, PFA, P3G / P3GA, PL 外形尺寸 104

PL

PL08

P2RFZ / P2RF, P2R, P7TF, PYFZ / PYF, PTFZ / PTF, PYD, PT, P7LF, PF, P2CF, PFA, P3G / P3GA, PL 外形尺寸 106

PL08-Q

P2RFZ / P2RF, P2R, P7TF, PYFZ / PYF, PTFZ / PTF, PYD, PT, P7LF, PF, P2CF, PFA, P3G / P3GA, PL 外形尺寸 107

PLE08-0

P2RFZ / P2RF, P2R, P7TF, PYFZ / PYF, PTFZ / PTF, PYD, PT, P7LF, PF, P2CF, PFA, P3G / P3GA, PL 外形尺寸 108

PL11

P2RFZ / P2RF, P2R, P7TF, PYFZ / PYF, PTFZ / PTF, PYD, PT, P7LF, PF, P2CF, PFA, P3G / P3GA, PL 外形尺寸 109

PL11-Q

P2RFZ / P2RF, P2R, P7TF, PYFZ / PYF, PTFZ / PTF, PYD, PT, P7LF, PF, P2CF, PFA, P3G / P3GA, PL 外形尺寸 110

PLE11-0

P2RFZ / P2RF, P2R, P7TF, PYFZ / PYF, PTFZ / PTF, PYD, PT, P7LF, PF, P2CF, PFA, P3G / P3GA, PL 外形尺寸 111

PL15

P2RFZ / P2RF, P2R, P7TF, PYFZ / PYF, PTFZ / PTF, PYD, PT, P7LF, PF, P2CF, PFA, P3G / P3GA, PL 外形尺寸 112

PL20

P2RFZ / P2RF, P2R, P7TF, PYFZ / PYF, PTFZ / PTF, PYD, PT, P7LF, PF, P2CF, PFA, P3G / P3GA, PL 外形尺寸 113

注. 安装时请注意适用机型的键槽方向。

APP下载

星空(中国)一站式服务官网FA世界