Page top

LY

大功率继电器

LY

可用于大功率开关的小型通用继电器

(单位:mm)

焊接端子

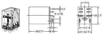
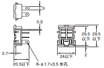
LY1
LY1N
LY1-D
LY1N-D2

LY 外形尺寸 3

LY2
LY2Z
LY2N
LY2ZN
 
 
 
 
LY2-D
LY2Z-D
LY2N-D2
LY2ZN-D2

LY 外形尺寸 4

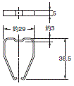
LY3
LY3N
LY3-D
LY3N-D2

LY 外形尺寸 6 LY3_Dim

LY4
LY4N
LY4-D
LY4N-D2

LY 外形尺寸 8 LY4_Dim

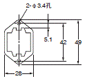
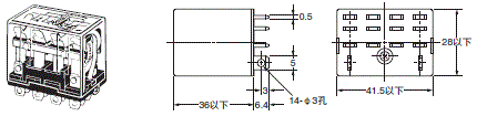
LY2-CR
LY2Z-CR
LY2N-CR
LY2ZN-CR

LY 外形尺寸 10 LY2-CR_Dim

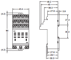
印刷电路板用端子

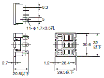
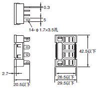
LY1-0、LY3-0
LY2-0、LY4-0

LY 外形尺寸 13 LY1-0_Dim

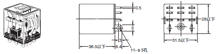
外壳上部安装型

LY1F
LY2F

LY 外形尺寸 16 LY1F-_Dim

LY3F

LY 外形尺寸 18 LY3F-_Dim

LY4F

LY 外形尺寸 20 LY4F-_Dim

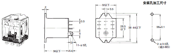
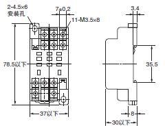
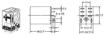
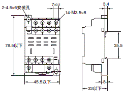
连接插座

PTF-08-PU(-L)

LY 外形尺寸 22

安装孔加工尺寸

LY 外形尺寸 23

PTF08A

LY 外形尺寸 24

PTF08A-E(手指保护结构)

LY 外形尺寸 25

安装孔加工尺寸

LY 外形尺寸 26

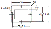
PTF11A

LY 外形尺寸 27

安装孔加工尺寸

LY 外形尺寸 28

PTF-14-PU-L

LY 外形尺寸 29

安装孔加工尺寸

LY 外形尺寸 30

PTF14A

LY 外形尺寸 31

PTF14A-E(手指保护结构)

LY 外形尺寸 32

安装孔加工尺寸

LY 外形尺寸 33

注:PTF-08-PU、PTF-08-PU-L、PTF08A、PTF08A-E、PT08 与LY1 继电器组合使用时,请分别将端子No. ① - ②间、③ - ④间、⑤ - ⑥间短路。(以10A以上使用时)

PT08

LY 外形尺寸 35

PT08QN

LY 外形尺寸 36

安装孔及印刷电路板加工尺寸

LY 外形尺寸 37

PT08-0

LY 外形尺寸 38

安装孔及印刷电路板加工尺寸

LY 外形尺寸 39

PT11

LY 外形尺寸 40

PT11QN

LY 外形尺寸 41

安装孔及印刷电路板加工尺寸

LY 外形尺寸 42

PT11-0

LY 外形尺寸 43

安装孔及印刷电路板加工尺寸

LY 外形尺寸 44

PT14

LY 外形尺寸 45

PT14QN

LY 外形尺寸 46

安装孔及印刷电路板加工尺寸

LY 外形尺寸 47

PT14-0

LY 外形尺寸 48

安装孔及印刷电路板加工尺寸

LY 外形尺寸 49

注:请使用板厚1 ~2mm的插座安装面板。

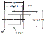
固定支架

PYC-A1

约0.54g(1 个)
1 套(2 个)

LY 外形尺寸 51

PYC-P

约1.4g

LY 外形尺寸 52

PYC-S

约1.8g

LY 外形尺寸 53

Y92H-3

约0.7g(1 个)
1 套(2 个)

LY 外形尺寸 54

PYC-1

约6g

LY 外形尺寸 55

插座安装板(t = 1.6)

并列安装多个背面插座时使用。

LY 外形尺寸 56

PYP-1

LY 外形尺寸 57

PYP-18

LY 外形尺寸 58

PYP-36

LY 外形尺寸 59

PTP-1-3

LY 外形尺寸 60

PTP-12

LY 外形尺寸 61

PTP-1

LY 外形尺寸 62

PTP-10

LY 外形尺寸 63
APP下载

星空(中国)一站式服务官网FA世界