Page top

M2P

指示灯(方形)

M2P

大型方形系列

M2P部分产品已于2023年3月底订货截止。M2P系列部分产品预定于2025年3月底订货截止。

(单位:mm)

M2PJ(长方形)型

M2P 外形尺寸 2 M2PJ_Dim

M2PA(方形)型号

M2P 外形尺寸 4 M2PA_Dim

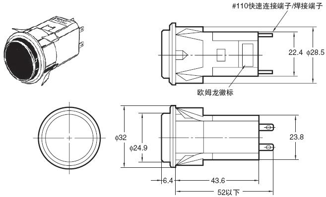
M2PT(圆形)型

M2P 外形尺寸 6 M2PT_Dim

注:对于焊片端子#110和焊接端子使用厚度为0.5mm的面板。

附件安装尺寸

安装附件尺寸与A3P带灯型按钮开关相同。

面板切割

M2PJ(长方形)型

M2P 外形尺寸 12 M2PJ_Panel Cutout_Dim

注1. n:单元数目
2. 建议面板厚度:1~5 mm
3. 在安装开关防护前安装面板。
4. 如果要对面板进行表面处理(如喷漆),应确保面板在喷涂后符合指定的尺寸。

M2PA(方形)型号

M2P 外形尺寸 15 M2PA_Panel Cutout_Dim

注1. n:单元数目
2. 建议面板厚度:1~5mm
3. 如果要对面板进行表面处理(如喷漆),应确保面板在喷涂后符合指定的尺寸。

M2PT(圆形)型

M2P 外形尺寸 18 M2PT_Panel Cutout_Dim

注1. 建议面板厚度:1~5mm
2. 如果要对面板进行表面处理(如喷漆),应确保面板在喷涂后符合指定的尺寸。

APP下载

星空(中国)一站式服务官网FA世界