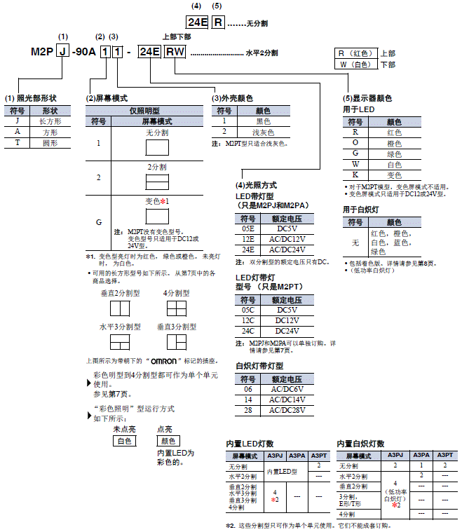
下面举例说明了用于订购成套单元的型号。一成套包括显示器, 灯和插座。
有关组合的信息, 请参见“种类”。
指示灯(方形)
信息更新: 2019年12月18日
下面举例说明了用于订购成套单元的型号。一成套包括显示器, 灯和插座。
有关组合的信息, 请参见“种类”。
下表中给出了用于订购成套单元的型号。一成套包括显示器,灯和本体。
| 外壳颜色 | 黑色 | 浅灰色 | 显示颜色符号 | |
|---|---|---|---|---|
| LED | DC5V | M2PJ-90A11-05E(1) | M2PJ-90A12-05E(1) | ROGW |
| AC/DC12V | M2PJ-90A11-12E(1) | M2PJ-90A12-12E(1) | ||
| AC/DC24V | M2PJ-90A11-24E(1) | M2PJ-90A12-24E(1) | ||
| 变色 | DC12V | M2PJ-90AG1-12EK | --- | *1 |
| DC24V | M2PJ-90AG1-24EK | M2PJ-90AG2-24EK | ||
| 白炽灯 | AC/DC6V | M2PJ-90A11-06 | M2PJ-90A12-06 | *2 |
| AC/DC14V | M2PJ-90A11-14 | M2PJ-90A12-14 | ||
| AC/DC28V | M2PJ-90A11-28 | M2PJ-90A12-28 | ||
注:在(1)中输入所需的显示颜色符号。(R) =红色, (O) =橙色, (G) =绿色, (W) =白色。
*1. 通过改变端子绕线,你可以改变变色型的屏幕颜色为红色、绿色和橙色。详情请参见样本。
*2. 白炽灯被提供了着色板(白色,红色,绿色,蓝色和橙色)以及铭牌(奶白色,透明)。使用合理的组合方式。
| 外壳颜色 | 黑色 | 浅灰色 | 显示颜色符号 | |
|---|---|---|---|---|
| LED | DC24V | M2PJ-90A21-24E(1)(2) | M2PJ-90A22-24E(1)(2) | R O G W |
| 白炽灯 | AC/DC6V | M2PJ-90A21-06 | --- | * |
| AC/DC14V | M2PJ-90A21-14 | M2PJ-90A22-14 | ||
| AC/DC28V | M2PJ-90A21-28 | M2PJ-90A22-28 | ||
注: 在(1)和(2)中输入所需的显示颜色符号。(R) =红色, (O) =橙色, (G) =绿色, (W) =白色。
* 白炽灯被提供了着色板(白色,红色,绿色,蓝色和橙色)以及铭牌(奶白色,透明)。使用合理的组合方式。
| 外壳颜色 | 黑色 | 浅灰色 | 显示颜色符号 | |
|---|---|---|---|---|
| LED | DC5V | M2PA-90A11-05E(1) | M2PA-90A12-05E(1) | R O G W |
| AC/DC12V | M2PA-90A11-12E(1) | M2PA-90A12-12E(1) | ||
| AC/DC24V | M2PA-90A11-24E(1) | M2PA-90A12-24E(1) | ||
| 变色 | DC12V | M2PA-90AG1-12EK | M2PA-90AG2-12EK | *1 |
| DC24V | M2PA-90AG1-24EK | M2PA-90AG2-24EK | ||
| 白炽灯 | AC/DC6V | M2PA-90A11-06 | M2PA-90A12-06 | *2 |
| AC/DC14V | M2PA-90A11-14 | M2PA-90A12-14 | ||
| AC/DC28V | M2PA-90A11-28 | M2PA-90A12-28 | ||
注:在(1)中输入所需的显示颜色符号。(R) =红色, (O) =橙色, (G) =绿色, (W) =白色。
*1. 通过改变端子配线,你可以改变变色型的屏幕颜色为红色、绿色和橙色。详情请参见样本。
*2. 白炽灯被提供了着色板(白色,红色,绿色,蓝色和橙色)以及铭牌(奶白色,透明)。使用合理的组合方式。
| 外壳颜色 | 黑色 | 浅灰色 | 显示颜色符号 | |
|---|---|---|---|---|
| LED | DC24V | M2PA-90A21-24E(1)(2) | M2PA-90A22-24E(1)(2) | R O G W |
| 白炽灯 | AC/DC6V | M2PA-90A21-06 | M2PA-90A22-06 | * |
| AC/DC14V | M2PA-90A21-14 | M2PA-90A22-14 | ||
| AC/DC28V | M2PA-90A21-28 | M2PA-90A22-28 | ||
注:在(1)和(2)中输入所需的显示颜色符号。(R) =红色, (O) =橙色, (G) =绿色, (W) =白色。
* 白炽灯被提供了着色板(白色,红色,绿色,蓝色和橙色)以及铭牌(奶白色,透明)。使用合理的组合方式。
| 外壳颜色 | 浅灰色 | 显示颜色符号 | |
|---|---|---|---|
| LED | DC5V | M2PT-90A12-05C(1) | R O G W |
| DC12V | M2PT-90A12-12C(1) | ||
| DC24V | M2PT-90A12-24C(1) | ||
| 白炽灯 | AC/DC28V | M2PT-90A12-28 | * |
注: 在(1)中输入所需的显示颜色符号。(R) =红色, (O) =橙色, (G) =绿色, (W) =白色。
* 白炽灯被提供了着色板(白色,红色,绿色,蓝色和橙色)。使用合理的组合方式。但是A3PT和M2PT(圆形型)没被提供铭牌。
显示器、灯和插座可单独订购。使用单个的单元可创建成套中没有的组合。也可将部件储存作为备件, 用于维护和修理。
* 插座与LED带灯, LED灯带灯和白炽灯带灯型都兼容。
*1. 必要的LED灯数目。
| 屏幕模式 | M2PJ | M2PA | M2PT |
|---|---|---|---|
| 无分割 | 4 | 2 | 2 |
| 水平2分割 | 2 | --- | |
| 垂直2分割 | --- | --- | |
| 垂直3分割 | --- | --- | |
| 水平3分割 | --- | --- |
*2. 必要的白炽灯数目。
| 屏幕模式 | M2PJ | M2PA | M2PT |
|---|---|---|---|
| 无分割 | 2 | 1 | 2 |
| 水平2分割 | 4
(低功率 白炽灯) |
2 | --- |
| 垂直2分割 | --- | --- | |
| 垂直3分割 | --- | --- | |
| 水平3分割 | --- | --- |
| 形状 | 分割屏幕颜色
(颜色符号) |
白色(W) | 红色(R) | 绿色(G) | 橙色(O) | 选择注意事项 | |
|---|---|---|---|---|---|---|---|
长方形型号
![]() |
无分割 |
![]() |
M2PJ-5701-□□E | M2PJ-5702-□□E | M2PJ-5703-□□E | M2PJ-5706-□□E | • 在型号末端的□□输入使用电压。
使用的电压示例: ![]() 水平2 分割型只支持24V。 • 对于阴影部分的颜色, 根据表上部给出的颜色选择型号。 |
| 水平2 2分割 |
![]() |
M2PJ-5711-□□E | M2PJ-5712-□□E | M2PJ-5713-□□E | M2PJ-5716-□□E | ||
![]() |
M2PJ-5721-□□E | M2PJ-5722-□□E | M2PJ-5723-□□E | M2PJ-5726-□□E | |||
![]() |
M2PJ-5731-□□E | M2PJ-5732-□□E | M2PJ-5733-□□E | M2PJ-5736-□□E | |||
![]() |
M2PJ-5741-□□E | M2PJ-5742-□□E | M2PJ-5743-□□E | M2PJ-5746-□□E | |||
方形型号
![]() |
无分割 |
![]() |
M2PA-5701-□□E | M2PA-5702-□□E | M2PA-5703-□□E | M2PA-5706-□□E | |
| 水平2分割 |
![]() |
M2PA-5711-□□E | M2PA-5712-□□E | M2PA-5713-□□E | M2PA-5716-□□E | ||
![]() |
M2PA-5721-□□E | M2PA-5722-□□E | M2PA-5723-□□E | M2PA-5726-□□E | |||
![]() |
M2PA-5731-□□E | M2PA-5732-□□E | M2PA-5733-□□E | M2PA-5736-□□E | |||
![]() |
M2PA-5741-□□E | M2PA-5742-□□E | M2PA-5743-□□E | M2PA-5746-□□E | |||
注1. 盖,铭牌(透明的),着色板,白色柱塞外壳和LED (带限流电阻)被安装于标准照明单元。
2. 分割屏幕着色配置和"OMRON" 标记在朝下的插座上给出。
| 型号 | 长方形型号
![]() |
方形型号
![]() |
圆形型号
![]() |
选择注意事项 | |||
|---|---|---|---|---|---|---|---|
| 屏幕模式 | 屏幕 | 型号 | 屏幕 | 型号 | 屏幕 | 型号 | |
| 无分割 |
![]() |
M2PJ-5021 |
![]() |
M2PA-5021 |
![]() |
M2PT-5021 | • 着色板(白色、红色、绿色和橙色),铭牌(透明的)和挡光板(只是分割屏幕型)被包括在内。对于LED的着色需要,使用合理的组合方式。
• 启动相应分割屏幕配置的彩色照明所需的白色板数目被包括在内。(例如, 4分割型包括4个白色板。) •每个型号所包含的着色板数目显示在下表中。 ![]() |
| 水平2分割 |
![]() |
M2PJ-5022 |
![]() |
M2PA-5022 | --- | ||
| 垂直2分割 |
![]() |
M2PJ-5023 | --- | --- | |||
| 水平3分割 |
![]() |
M2PJ-5024 | --- | --- | |||
| 垂直3分割 |
![]() |
M2PJ-5025 | --- | --- | |||
| 4分割 |
![]() |
M2PJ-5026 | --- | --- | |||
| 型号 | 长方形型号
![]() |
方形型号
![]() |
圆形型号
![]() |
选择注意事项 | |||
|---|---|---|---|---|---|---|---|
| 屏幕模式 | 屏幕 | 型号 | 屏幕 | 型号 | 屏幕 | 型号 | |
| 无分割 |
![]() |
M2PJ-5011 |
![]() |
M2PA-5011 |
![]() |
M2PT-5011 * | • 提供了着色板(白色、红色、绿色、橙色和蓝色),铭牌(透明的)和挡光板(只是分割型)。
* M2PT (圆形)型不包含铭牌。 • 提供的着色板的数目显示在下表中。 ![]() |
| 水平2分割 |
![]() |
M2PJ-5012 |
![]() |
M2PA-5012 | --- | ||
| 垂直2分割 |
![]() |
M2PJ-5013 | --- | --- | |||
| 水平3分割 |
![]() |
M2PJ-5014 | --- | --- | |||
| 垂直3分割 |
![]() |
M2PJ-5015 | --- | --- | |||
| 4分割 |
![]() |
M2PJ-5016 | --- | --- | |||
| 形状 | 额定电压 | 变色指示灯 | |
|---|---|---|---|
| 长方形 |
![]() |
DC12V | M2PJ-5800-12E |
| DC24V | M2PJ-5800-24E | ||
| 方形 |
![]() |
DC12V | M2PA-5800-12E |
| DC24V | M2PA-5800-24E | ||
注1. 变色型整个屏幕亮灯为红色,绿色或橙色(即红色绿色同时亮灯)。
2. 盖,铭牌(透明的),白色着色板和LED (带限流电阻)被安装于显示器。
| 电压 | DC5V | DC12V | DC24V | 适用盖(颜色)(着色板) | 选择注意事项 |
|---|---|---|---|---|---|
| 颜色 | 型号(仅DC) | 型号(仅DC) | 型号(仅DC) | ||
| 红色 | SLL-05ER | SLL-12ER | SLL-24ER | 红色 | 在标准设置中, M2PJ型使用4个LED灯,
M2PA和M2PT型使用2个LED灯。 |
| 黄色 | SLL-05EY | SLL-12EY | SLL-24EY | 橙色 | |
| 绿色 | SLL-05EG | SLL-12EG | SLL-24EG | 绿色 | |
| 白色 | SLL-05EW | SLL-12EW | SLL-24EW | 白色 |
| 灯类型 | 标准灯 | 低压灯 | 选择注意事项 |
|---|---|---|---|
| AC/DC5V | SLL-06 | SLL-06H | • 在M2PJ型的标准设置中,无分割型使用2个灯,分割屏幕型使用4个灯。
如果连续3个或4个灯亮起,使用低功率的灯。 • 在M2PA型的标准设置中,无分割型使用1个灯,分割屏幕型使用2个灯。 • 在M2PT型的标准设置中,使用2个灯。 |
| AC/DC12V | SLL-14 | SLL-14H | |
| AC/DC24V | SLL-28 | SLL-28H |
长方形
![]() |
方形
![]() |
圆形
![]() |
选择注意事项 |
|---|---|---|---|
| 型号 | 型号 | 型号 | |
| M2PJ-7010-1 | M2PA-7010-1 | M2PT-7010-2 | • 最后两位数表示法兰的颜色:-1代表黑色法兰, -2代表浅灰色法兰。
圆形开关只能使用浅灰色,不能用黑色。 |
信息更新: 2019年12月18日