Page top

H3Y

固态定时器

H3Y

时序控制用超小型定时器

PYF08A,PYF14A系列部分产品预定于2021年3月底订货截止。H3Y系列部分机型定于2022年3月底订货截止

(单位:mm)

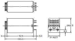
定时器本体

表面安装(插入型端子)

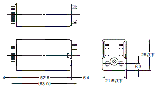
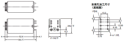
H3Y-2

H3Y 外形尺寸 3

表面安装(印刷电路板用端子)

H3Y-2-0

H3Y 外形尺寸 5

表面安装(插入型端子)

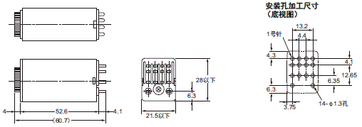
H3Y-4

H3Y 外形尺寸 7

表面安装(印刷电路板用端子)

H3Y-4-0

H3Y 外形尺寸 9

插座安装时的尺寸

H3Y 外形尺寸 10

注1: 对于安装的方向没有限制。
*1: ( )内为H3Y-4、H3YN-4/-41、H3YN-4-Z/-41-Z的连接插座。

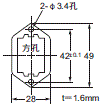
选装件(另售)

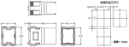
适配器安装时的尺寸

Y92F-78

H3Y 外形尺寸 13

注1: 请按下适配器(Y92F-78)的挂钩直到其插入H3Y型、H3YN型的里面为止。
 2: 适配器(Y92F-78)的挂钩会挂得越来越不牢,因此请不要使面板背面孔太大。

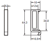
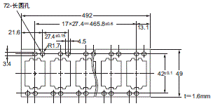
连接插座安装板

PYP-1

H3Y 外形尺寸 15

PYP-18

H3Y 外形尺寸 16

固定支架

H3Y/H3YN系列(PYF□用)
Y92H-3
(2根1套)

H3Y 外形尺寸 18

Y92H-4(PY□、PYF□M用)

H3Y 外形尺寸 19

连接插座(另售)

H3Y/H3YN系列 表面连接插座

PYF08A

H3Y 外形尺寸 22

注: 也可进行导轨安装。

PYF14A

H3Y 外形尺寸 23

注: 也可进行导轨安装。

PYF08A-E
(手指保护结构)

H3Y 外形尺寸 24

注: 也可进行导轨安装。

PYF14A-E
(手指保护结构)

H3Y 外形尺寸 25

注: 也可进行导轨安装。

PYF08M

H3Y 外形尺寸 26

H3Y/H3YN系列 背面连接插座

PY08

H3Y 外形尺寸 28

PY14

H3Y 外形尺寸 29

导轨安装用另售件

支承导轨

PFP-100N
PFP-50N

H3Y 外形尺寸 32

*( )内为PFP-50N的尺寸。

支承导轨

PFP-100N2

H3Y 外形尺寸 34

终端板

PFP-M

H3Y 外形尺寸 36

隔片

PFP-S

H3Y 外形尺寸 38
APP下载

星空(中国)一站式服务官网FA世界