Page top

FZ5系列

图像处理系统

FZ5系列

搭载了可满足定位、检查需求的丰富的处理项目

FZ5-60□(-10)/ 110□(-10)于2018年3月底订货截止、FZ-SC5M2于2018年6月底订货截止、FZ-S5M2于2019年7月底订货截止。FZ5-L35□-□□系列部分产品预定于2022年3月底订货截止。

(单位:mm)

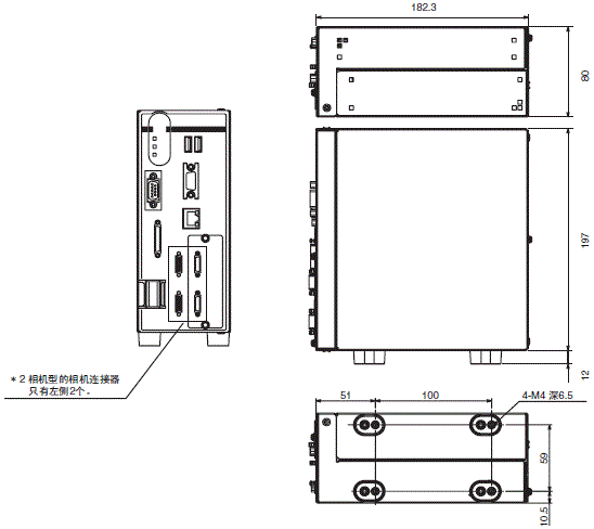
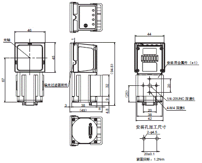
传感器控制器

FZ5系列 液晶一体型
FZ5-1100/-1105/-1100-10/1105-10
FZ5-600/-605/-600-10/-605-10

FZ5系列 外形尺寸 2

FZ5系列 Lite 箱型
FZ5-L350/-L355/-L350-10/-L355-10

FZ5系列 外形尺寸 3

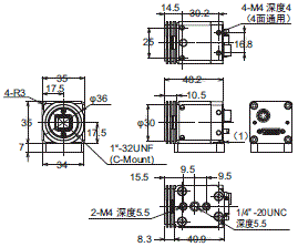
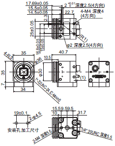
相机

数码CCD相机(单机)

30万像素相机
FZ-S
FZ-SC

FZ5系列 外形尺寸 6

200万像素相机
FZ-S2M
FZ-SC2M

FZ5系列 外形尺寸 7

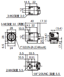
500万像素相机
FZ-S5M2
FZ-SC5M2

FZ5系列 外形尺寸 8

高速CCD相机(单机)

FZ-SH
FZ-SHC

FZ5系列 外形尺寸 10

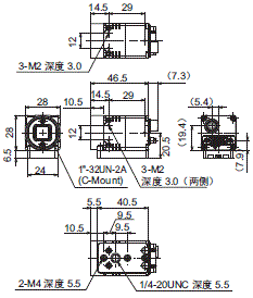
小型数码CCD相机(单机)

摄像头

平板式
FZ-SF
FZ-SFC

FZ5系列 外形尺寸 12

笔式
FZ-SP
FZ-SPC

FZ5系列 外形尺寸 13

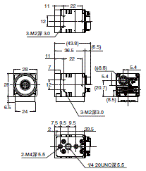
相机放大器

平板式、笔式通用

FZ5系列 外形尺寸 14

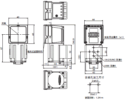
小型智能CMOS相机

窄视野型、中视野型
FZ-SQ010F
FZ-SQ050F

FZ5系列 外形尺寸 16

宽视野型
FZ-SQ100F(远距离)
FZ-SQ100N(近距离)

FZ5系列 外形尺寸 17

注1. 安装用金属件可在各个侧面上安装。

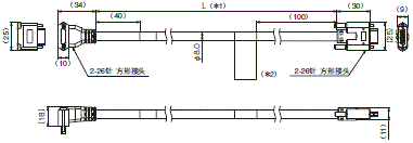
电缆

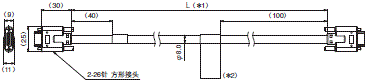
相机电缆

相机电缆
FZ-VS3

FZ5系列 外形尺寸 21

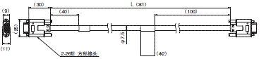
耐弯曲相机电缆
FZ-VSB3

FZ5系列 外形尺寸 22

直角接头相机电缆
FZ-VSL3

FZ5系列 外形尺寸 23

耐弯曲直角相机电缆
FZ-VSLB3

FZ5系列 外形尺寸 24

长距离相机电缆
FZ-VS4

FZ5系列 外形尺寸 25

长距离直角接头相机电缆
FZ-VSL4

FZ5系列 外形尺寸 26

∗1. 各种电缆有2m/5m/10m。
∗2. 各相机电缆有极性。
  贴有铭牌的一侧请与控制器连接。
∗3. 电缆为15m。

并行电缆

FZ-VP

∗1. 电缆有2m/5m。

FZ5系列 外形尺寸 29

FZ-VPX

∗1. 电缆有2m/5m。

FZ5系列 外形尺寸 30

显示器电缆

FZ-VM

∗1. 电缆有2m/5m。

FZ5系列 外形尺寸 32

液晶显示屏

FZ-M08

FZ5系列 外形尺寸 34

相机电缆延长装置

FZ-VSJ

FZ5系列 外形尺寸 36

小型相机用延伸管

FZ-LESR

FZ5系列 外形尺寸 38

小型相机用镜头

FZ-LES系列

* 全部长度有16.4mm/19.7mm/23.1mm/25.5mm。

FZ5系列 外形尺寸 40
APP下载

星空(中国)一站式服务官网FA世界