Page top

ES1-N

非接触温度传感器

ES1-N

无需接触工件,即可测量温度实现无损伤、卫生且高效的温度管理

(单位:mm)

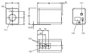
ES1-LP3-N/ES1-LP10-N本体

ES1-N 外形尺寸 1

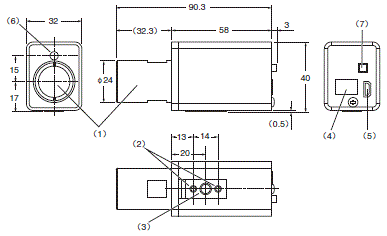
ES1-LW50-N/ES1-LW50L-N本体

(ES1-LW50-N时,没有(6)的激光输出口、(7)的激光开关。)

ES1-N 外形尺寸 2

ES1-LW100-N/ES1-LW100L-N本体

(ES1-LW100-N时,没有(6)的激光输出口、(7)的激光开关。)

ES1-N 外形尺寸 3
ES1-N 外形尺寸 4
APP下载

星空(中国)一站式服务官网FA世界