Page top

3G3MX2-V2

多功能小型变频器

3G3MX2-V2

配备简易位置控制和PM电机控制等丰富的功能,支持多种应用

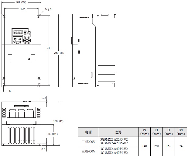
(单位:mm)


变频器本体

3G3MX2-AB001-V2
3G3MX2-AB002-V2
3G3MX2-AB004-V2
3G3MX2-A2001-V2
3G3MX2-A2002-V2
3G3MX2-A2004-V2
3G3MX2-A2007-V2

3G3MX2-V2 外形尺寸 2

3G3MX2-AB007-V2
3G3MX2-AB015-V2
3G3MX2-AB022-V2
3G3MX2-A2015-V2
3G3MX2-A2022-V2
3G3MX2-A4004-V2
3G3MX2-A4007-V2
3G3MX2-A4015-V2
3G3MX2-A4022-V2
3G3MX2-A4030-V2

3G3MX2-V2 外形尺寸 3

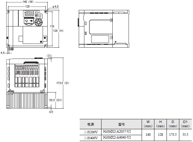
3G3MX2-A2037-V2
3G3MX2-A4040-V2

3G3MX2-V2 外形尺寸 4

3G3MX2-A2055-V2
3G3MX2-A2075-V2
3G3MX2-A4055-V2
3G3MX2-A4075-V2

3G3MX2-V2 外形尺寸 5

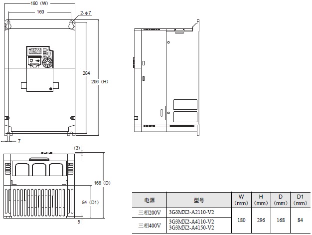
3G3MX2-A2110-V2
3G3MX2-A4110-V2
3G3MX2-A4150-V2

3G3MX2-V2 外形尺寸 6

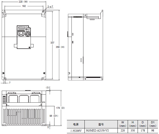
3G3MX2-A2150-V2

3G3MX2-V2 外形尺寸 7

MX2系列EtherCAT通信单元 3G3AX-MX2-ECT

External Dimensions

3G3MX2-V2 外形尺寸 9

*1. 安装EtherCAT通信单元时的整体进深尺寸,请在变频器本体的D尺寸上增加34mm。
   (变频器本体的D尺寸因功率而异。详情,请参见《MX2系列V2型多功能型小型变频器用户手册》。)

选装件

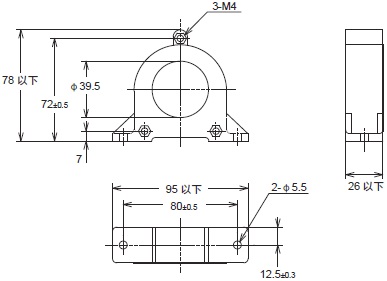
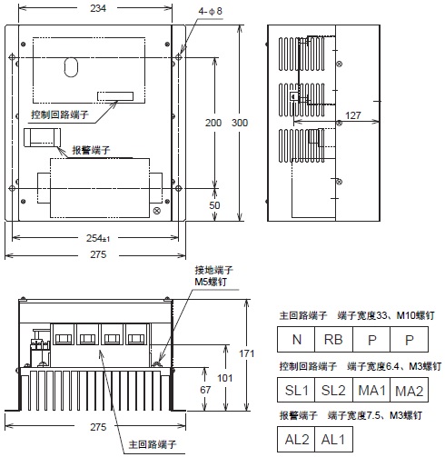
再生制动单元(3G3AX-RBU□□)

3G3AX-RBU21/RBU22/RBU41

3G3MX2-V2 外形尺寸 12

3G3AX-RBU23

3G3MX2-V2 外形尺寸 13

3G3AX-RBU24

3G3MX2-V2 外形尺寸 14

3G3AX-RBU42

3G3MX2-V2 外形尺寸 15

3G3AX-RBU43

3G3MX2-V2 外形尺寸 16

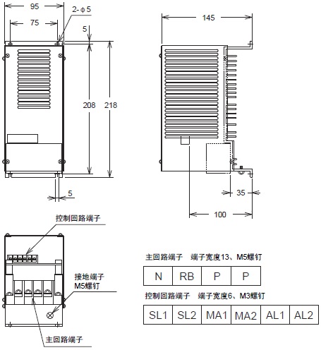
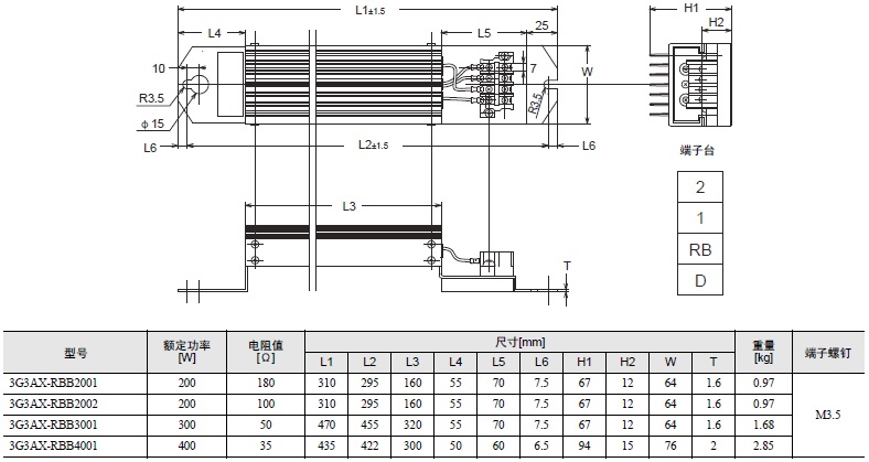
制动电阻器(3G3AX-RBA/RBB/RBC□□□□)

3G3AX-RBA□□□□

3G3MX2-V2 外形尺寸 18

3G3AX-RBB□□□□

3G3MX2-V2 外形尺寸 19

3G3AX-RBC4001

3G3MX2-V2 外形尺寸 20

3G3AX-RBC6001

3G3MX2-V2 外形尺寸 21

3G3AX-RBC12001

3G3MX2-V2 外形尺寸 22

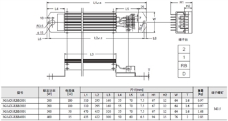
直流电抗器(3G3AX-DL□□□□)

3G3MX2-V2 外形尺寸 24
3G3MX2-V2 外形尺寸 25

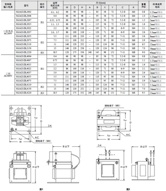
交流电抗器(3G3AX-AL□□□□)

3G3MX2-V2 外形尺寸 27

3G3AX-AL2025/AL2055/AL4025/AL4055/AL4110

3G3MX2-V2 外形尺寸 28

3G3AX-AL2110/AL2220/AL2330/AL4220/AL4330

3G3MX2-V2 外形尺寸 29

输入侧噪声滤波器(3G3AX-NFI□□)

3G3MX2-V2 外形尺寸 31

3G3AX-NFI21/NFI22

3G3MX2-V2 外形尺寸 32

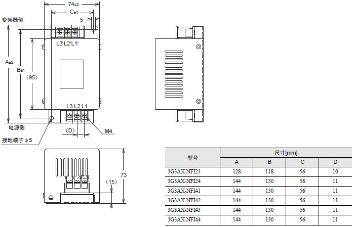
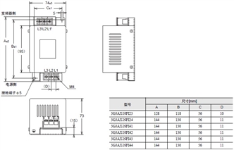
3G3AX-NFI23/NFI24/NFI41/NFI42/NFI43/NFI44

3G3MX2-V2 外形尺寸 33

3G3AX-NFI25/NFI26/NFI45/NFI46

3G3MX2-V2 外形尺寸 34

3G3AX-NFI27

3G3MX2-V2 外形尺寸 35

输出侧噪声滤波器(3G3AX-NFO□□)

3G3AX-NFO01/NFO02

3G3MX2-V2 外形尺寸 37

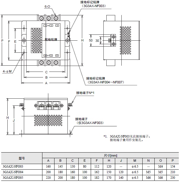
3G3AX-NFO03/NFO04/NFO05

3G3MX2-V2 外形尺寸 38

无线电噪声滤波器(3G3AX-ZCL□)

3G3AX-ZCL1

3G3MX2-V2 外形尺寸 40

3G3AX-ZCL2

3G3MX2-V2 外形尺寸 41

外接数字操作器(3G3AX-OP01)

3G3AX-OP01

3G3MX2-V2 外形尺寸 43

操作器用电缆(3G3AX-OPCN□)

3G3MX2-V2 外形尺寸 44
APP下载

星空(中国)一站式服务官网FA世界