Page top

S8VS

开关电源(15/30/60/90/120/180/240/480W)

S8VS

通过显示监视器实现动作状态可视化 有助于缩短维护工时*

注意

S8VS 注意事项 1

安全注意事项

安装方法

S8VS 注意事项 3

*1. 空气流通
*2. 20mm以上

• 安装时请注意考虑散热,以保证产品的长期可靠性。请充分注意电源本体周围的空气对流,在衰减曲线范围内使用。

• 安装加工时,请确保切屑不会进入产品内部。

〈15、30W〉

• 安装状态不当会引起散热不良,偶尔可能导致内部零件老化或损坏。请按照每种安装方向的衰减曲线使用。

• 横向安装时请使用安装支架。

• 横向安装时,请务必使标签侧朝上,否则会导致散热不良。

• 在按10mm以上(20mm以下)的间隔使用左右的安装空间时,请在样本的 特性数据“●从衰减曲线”减去5℃的范围内使用。

〈60、90、120、180、240、480W〉

• 安装状态不当会引起散热不良,偶尔可能导致内部零件老化或损坏。请只使用标准安装。

• 否则,可能因散热不良,偶尔会导致内部零件老化或损坏。请勿松开本体侧面的螺钉。

配线

• 地线务必完全连接。由于使用安全标准规定的PE(保护接地)端子,若未完善接地,可能引发触电或误动作。

• 有意外发生轻度起火的危险。请确保输入和输出端子等正确连接。

• 拧紧端子螺钉时,请勿以超过100N的力推压端子台。

• 通电前,请务必取下加工时盖在产品上的薄板等物件,确认不影响散热。

•(仅限无螺钉端子台型)
请勿在1个端子中插入多根电线。

•(仅限无螺钉端子台型)
请用一字螺丝刀等工具插入工具插口的同时,插入、拆卸输出电线。接线后还应确认电线是否切实连接在端子台上。
工具插口切勿插入电线。
如不充分插入接线而造成松动,可能会发生触电、起火、机器故障。请按规定操作电线包皮的剥离量。
在将一字型螺丝刀插入工具插口时,要插入至看不到被剥离的电线后,拿开工具。接线后还应确认电线是否切实连接在端子台上。工具插口切勿插入电线。

S8VS 注意事项 9

•(报警输出端子台的使用方法)
与报警输出端子接线时,按住端子台中央部按钮插拔电线。
插入后,必须轻拉,请确认使电线不能脱落(必须固定在端子台上)。

S8VS 注意事项 10

• 为防止接线材料因负载异常而冒烟、起火,请使用下表中的线材。

推荐使用线径

〈15、30W〉

型号 绞线 单线
S8VS-03005 AWG18~14(0.9~2.0mm2) AWG18~16(0.9~1.1mm2)
上述以外型号 AWG20~14(0.5~2.0mm2) AWG20~16(0.5~1.1mm2)

〈60、90、120、180、240、480W〉

型号 推荐使用线径
输入端子部 输出端子部 报警输出端子部
S8VS-
06024□
AWG14~20
(截面积0.517~2.081mm2)
AWG14~20
(截面积0.517~2.081mm2)
S8VS-
09024□□□□
AWG18~28
(截面积0.081~0.823mm2)
(电线包皮剥离量:9~10mm)
S8VS-
12024□□□
AWG14~18
(截面积0.823~2.081mm2)
S8VS-
18024□□□
AWG14~16
(截面积1.309~2.081mm2)
S8VS-
24024□□□
AWG14
(截面积2.081mm2)
S8VS-
48024□
AWG14~16
(截面积1.309~2.081mm2)

• 无螺钉端子台型输入输出端子部的电线包皮剥离量为11mm。

* 输出端子的额定电流为每个端子10A。若流通超过端子额定规格的电流,请务必同时使用多个端子。(流通10A以上的电流时, +V和-V请务必各使用2个以上端子。)

设置环境

• 请不要在产生剧烈冲击或振动的场所使用。尤其是连接器等装置会成为振动源,因此设置时请尽可能地远离它们。

• 安装时,请远离会产生强高频干扰及浪涌的设备。

使用环境和保存环境

• 请将本产品保存在环境温度-25~65℃、相对湿度25~90%的场所。

• 内部零件偶尔可能发生老化或损坏。
请勿在超过衰减范围的状态(衰减曲线的1部分)下使用。

• 请在相对湿度25~85%的场所使用。

• 请勿在日光直射的场所使用。

• 请勿在液体、异物、腐蚀性气体可能进入产品内部的场所中使用。

仅限S8VS-□□□24A□□

为保持更换时期通知功能 ,长期保存时请满足以下条件。
保存时间超过3个月时,请保存在环境温度-25~+30℃、相对湿度25~70%的环境下。

关于定期检查(仅限带显示监视器型(60W除外))

在一般使用条件下,本机要使用几年到十几年后才会提示更换时期(S8VS-□□□24A□□)。根据设定值,累计运行时间也和到达更换时期提示的年数大致相同(S8VS-□□□24B□□/S8VS-□□□24BE□) 。长期使用时,请定期按以下步骤确认更换时期提示输出(Yrs)及累计运行时间输出(kh)的动作是否正常。

〈操作步骤〉

1. 进入运行模式。

2.确认输出(Yrs/kh)已为ON (导通)状态。

3. 在运行模式下同时按住807_b_5(0)和807_b_6(8)3秒以上。
主显示部(6)变成807_b_7
显示807_b_7时若输出(Yrs/kh)变为OFF(不导通),则为正常。

4. 放开按键则返回通常状态。

注: 定期检查过程中也保持直流输出状态。

S8VS 注意事项 21

过电流保护功能

• 若在短路或过电流状态下继续使用,偶尔可能会导致内部零件老化及损坏。

• 考虑到内部零件万一老化或损坏带来的危害,请勿在负载侧频繁发生冲击电流及过载状态的用途中使用。

• 过电流保护功能工作时:DC ON指示灯(绿色)变成闪烁状态。

关于报警输出(仅限带显示监视器型(60W以及BE型除外))

使用报警输出时,请充分考虑最大额定规格、残留电压及漏电流。
晶体管输出: 漏型(S8VS-□□□24A/□□□24B□)
     : 源型(S8VS-□□□24AP□/□□□24BP□)
     : 漏型/源型(S8VS-48024A/48024B)
DC30V max. 50mA max.
ON时残留电压为2V以下、OFF时漏电流为0.1mA以下

关于蓄电池充电

将蓄电池连接至负载时,请安装过电流限制回路和过电压保护回路。

输出电压微调器(V.ADJ)

• 输出电压微调器(V.ADJ)可能会意外损坏。因此,请勿对其施加过度的力。

• 输出电压调整后,输出容量及输出电流应低于额定输出容量及额定输出电流。

〈15、30W〉

• 若低于额定输出电压的10%,欠电压检测功能可能会动作。

〈60、90、120、180、240、480W〉

• 欠压检测输出功能的检测电压在工厂发货时的状态下,将输出电压设定为20V以下时,会发生欠压检测功能不动作的情况。

DIN导轨安装

安装在DIN导轨上时,请按下导轨止动器直至发出咔嚓的响声,将(A)部挂在导轨的一端,然后向(B)方向推压,再扳起导轨止动器锁定。
拆卸时,(C)部.,将其拉出。

S8VS 注意事项 29

关于串联运行

〈24V型〉

2台电源可进行串联运行。

S8VS 注意事项 31

注1. 负载短路时,电源单元内部会承受反向电压。偶尔可能导致电源单元老化或损坏,因此请连接如图所示的二极管。选择二极管的大致标准如下。

种类 肖特基势垒二极管
耐电压(VRRM) 额定输出电压的2倍以上
正向电流(IF) 额定输出电流的2倍以上

2. 虽然不同规格的产品也可串联运行,但负载中流通的电流应小于二台中较小的额定输出电流值。
3. 5V、12V型不能以串联运行方式使用。

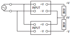
<± (正负)输出的构建方法>

• 由于是悬浮输出(一次侧回路和二次侧回路分离),因此,可使用2个电源构建±输出。
作为±输出使用时,如下图所示,请连接相同系列名的电源。不同输出容量、输出电压可以组合使用。但,流向负载的电流应小于输出容量较小的额定输出电流)

S8VS 注意事项 35

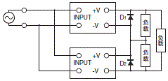
• 有些机型的伺服电机、运算放大器等负载可能会变成串联运行,这种情况下,接通电源可能会出现启动不良,内部回路损坏等,因此,如下图所示,请连接旁路用二极管(D1、D2)。

S8VS 注意事项 36

• 二极管的种类、耐压、电流的大致标准如下。
 • 种类:肖特基势垒二极管
 • 耐压(VRRM):电源额定输出电压的2倍以上
 • 正向电流(IF):电源额定输出电流的2倍以上

关于并联运行

不能在并联运行下使用。

S8VS 注意事项 38

关于备份运行

• 能够执行备份运行。所谓备份运行,是指1台可以满足输出电流,但在遇到故障等情况时,即使1台死机,依靠另1台电源能够对其保护的运行方法。

S8VS 注意事项 39

电源A、B,请使用相同型号的电源。

• 负载容量,请确保电源A或B中的任意一台都能够满足要求。

• 请如上图所示,务必在电源A·B 上均连接二极管,避免备份运行时对备份电源故障模式一侧的电源产生影响。二极管的种类、耐压、电流的大致标准如下。
 • 种类:肖特基势垒二极管
 • 耐压(VRRM):电源额定输出电压以上
 • 正向电流(IF):电源额定输出电流的2倍以上

• 电源A、B 的输出电压,设定时请高出二极管D1、D2 正向电压(VF)的下降量。
此外,二极管会导致电源输出电流(IOUT) × 二极管正向电压(VF)的电量损失,因此,请采取必要的冷却措施,使得二极管的温度低于规格值。

• 由于存在负载电力和基于二极管的电力损耗,因此,请不要超过1台电源的额定电力(额定输出电压×额定输出电流)。

无输出电压时

可能是过电流保护或过电压保护功能动作了。也可能是输入端加入了雷电浪涌等强大的浪涌电压,内部保护回路功能动作。
如果对下述2项进行了确认后,仍没有输出电压时,请向本公司咨询。

• 过电流保护的确认方法,请(拆下负载线)确认负载是否处于过电流状态(包括短路)。

• 过电压保护、内部保护的确认方法,一旦输入电源OFF,至少等待3分钟后,再次接通输入电源。

关于接通输入时的噪声

〈120、180、240、480W〉

因为配备了高次谐波电流抑制回路,接通输入电路时可能会有噪声,这是内部电压稳定之前的过渡性现象,并非产品故障。

以预防维护为目的的更换时期和定期更换的建议

无提示更换时期功能的机型(S8VS-□□□□□A□以外)

以预防维护为目的的推荐更换时期受产品安装使用环境等的影响很大,但不带提示更换时期功能的机型的推荐更换时期大致为7年~10年(*)。为了防止因超寿命使用本产品而导致的故障及事故,建议在推荐更时期内提前更换。推荐更换时期仅供参考,并非产品寿命的保证。

本产品中组装了很多电子零部件,若所有这些零部件均能正常运行,则可以发挥本产品既有的功能及性能。不过,铝电解电容器受运行时环境温度的影响很大,环境温度上升10℃,其寿命会缩短1/2 (阿雷尼厄斯定律)。若电解电容器容量变小到了寿命限度,可能导致产品故障及事故。因此,建议每经过一定时间及时更换产品,以尽量将设备的故障及事故防止于未然。

* 额定输入电压、负载率50%以下、环境温度40℃以下、标准安装状态。

在上述条件下,本机型的设计期待寿命为10年以上。

APP下载

星空(中国)一站式服务官网FA世界